Bedrok – en gamechanger for LP12?

Diskusjonstråd Se tråd i gallerivisning

  • LinnBedrok (2 of 3).jpg


    Linn har lansert den første oppgraderingen av LP12-sokkelen noensinne. Dette kan se ut som en unik nyhet, men det startet egentlig for et og et halvt år siden.

    Vi tar like godt den korte versjonen. Da Linn lanserte sin 50-års jubileumsmodell av LP12 for et og et halvt år siden, var det en ganske stivt priset utgave av denne ikoniske platespilleren vi ble presentert for. Og i tillegg til en del designmessige grep på LP12-50 initiert av Sir Jony Ive som selvfølgelig utgjorde sin del av prisen, var det et grep vi umiddelbart gjenkjente som et forbedringsgrep utløst av Linn.

    Da snakker vi selvfølgelig om den nye plinten i et helt nytt materiale, som Linn har kalt Bedrok. VI predikerte umiddelbart at dette er et materiale vi kommer til å få se mer av i nedskalerte utgaver av LP12, og nå tyr vi til det velkjente «HvaVarDetViSa?, med tilhørende dose av triumf»....

    Les hele nyhetsartikkelen om Bedrok plint på LP12
    LinnBedrok (2 of 2).jpg
     
    Sist redigert:

    Kommentarer

    Valentino

    Lustig im Tempo und keck im Ausdruck
    Ble medlem
    23.04.2008
    Innlegg
    32.740
    Antall liker
    30.732
    Sted
    Ottestad
    Torget vurderinger
    1
    Uhyrlig dyrt ja, men som videoen viser er det ganske mange arbeidsoperasjoner involvert i produktet.
     

    Hedde

    Førr evig!
    Ble medlem
    20.04.2009
    Innlegg
    8.190
    Antall liker
    4.655
    Sted
    Boðin
    Men, om plinthet er en gamechanger, så må jo racket også være tilsvarende viktig. Jeg har jo erfart at underlaget som min flytende Dual 701 står på betyr mer enn man skal tro. To sammenlimte tykke mdf plater med god tyngde har noe å si. Og spilleren må ikke isoleres fra dette underlaget er min erfaring.
     

    steinost

    Æresmedlem
    Ble medlem
    22.01.2004
    Innlegg
    12.821
    Antall liker
    10.517
    Sted
    Lillestrøm
    Torget vurderinger
    2
    Artig å se at snusfornuftige, småborgere tyter frem i tråder om produkter som ikke er for dem.

    Linn kan komme med slike priser fordi LP12 er LP12 og ikke ment for blyforgiftede hobbysnekkere.
    Noen trenger ikke en penisforlenger😆
    Har fint råd til å kjøpe det, men tar det heller opp noen hakk og gjør det selv.
    Handler ikke om penger for min det, men snusfornuftige løsninger hvor fysikk spiller en større rolle.
    Uhyrlig dyrt ja, men som videoen viser er det ganske mange arbeidsoperasjoner involvert i produktet.
    Dette blir garantert frest med CNC maskiner.
    Selv alle hull blir gjort med det.
    Har jo jobbet med slike maskiner. Utrolig effektivt, raskt og presist. Hvis det blir gjort manuelt går det jo mange timer pr stk.
     

    Valentino

    Lustig im Tempo und keck im Ausdruck
    Ble medlem
    23.04.2008
    Innlegg
    32.740
    Antall liker
    30.732
    Sted
    Ottestad
    Torget vurderinger
    1
    Ja, og det blir også presist og repeterbart.
     

    Deng1

    Hi-Fi freak
    Ble medlem
    27.04.2024
    Innlegg
    3.067
    Antall liker
    3.704
    Sted
    VestBredden
    Torget vurderinger
    1
    se for deg servitøren ber om 2-300% tips "fordi jeg trenger å betale husleie"

    er ikke mulig å gjøre hva de gjør på hifi-markedet i andre bransjer, hvor det er det vinn eller forsvinn
    Når dem kanskje kun selger 250ish av dette så sier det igrunn hvor lite markedet er., og den prisen er for og holde eksklisiviteten oppe.
    Regner du skjønner hva jeg mente siden du leste innlegget mitt ;)
     

    Karl_Erik

    Hi-Fi freak
    Ble medlem
    31.10.2002
    Innlegg
    2.526
    Antall liker
    1.442
    Torget vurderinger
    1
    Når dem kanskje kun selger 250ish av dette så sier det igrunn hvor lite markedet er.
    Hvis det tallet på 250 kommer fra et av mine innlegg, så gjalt det 50-års jubileumsmodellen LP12-50. Antall Bedrok-plinter de regner med å produsere vet jeg ikke noe om.
     

    Facebook

    Sivilimpertinent
    Ble medlem
    09.01.2021
    Innlegg
    683
    Antall liker
    1.862
    Sted
    Kolbotn
    Torget vurderinger
    2
    Bedrock meg her og bedrock meg der. Makan til vissvass. Skulle dette hatt noe for seg så må vel plintet være ett helt stykke hvor det var frest ut hull til tallerken og arm og spor til elektronikk. Men da måtte de forlatt gyngestol prinsippet sitt of folk ville mistet mulighet til alle de fantastiske oppgraderingene som de pr i dag leverer. Bortsett fra fargen så er min Concept sikkert i Panzerholst og det til en mer vettug pris. Og best av alt så er dette hel ved.....eller Panzerholst😁
    PXL_20250216_131931431.jpg


    PXL_20250216_131937974.jpg


    PXL_20250216_131942346.jpg
     

    LMC

    Æresmedlem
    Ble medlem
    03.08.2006
    Innlegg
    25.389
    Antall liker
    14.643
    Sted
    Drøbak
    Torget vurderinger
    48
    hadde det vært Panzerholz hadde de stripene vært halve bredden :ROFLMAO:
     

    ptb

    Æresmedlem
    Ble medlem
    27.11.2008
    Innlegg
    15.884
    Antall liker
    20.491
    Sted
    Oslo
    Torget vurderinger
    14
    Alltid populært å «disse» Linn og LP12 - ofte vitenskapelig underbygget gjennom antakelser og synsing.
     

    Steen

    Hi-Fi freak
    Ble medlem
    06.02.2005
    Innlegg
    1.397
    Antall liker
    2.075
    Måtte sjekke enda en gang, om jeg hadde forvillet meg over i kabel-avdelingen. Men det er jo kaldt ute så.
    Steen
     

    Singh

    Hi-Fi freak
    Ble medlem
    10.08.2006
    Innlegg
    1.947
    Antall liker
    2.252
    Torget vurderinger
    2
    Linn
    Bedrok Plinth for LP12 Turntable
    £8,750 – £10,140
    The Bedrok plinth, first introduced with the 50th anniversary LP12-50 turntable, is now available for all LP12 models. While the new Bedrok plinth has some aesthetic differences from its original 50th anniversary counterpart, it provides the same outstanding upgrade to LP12 performance.
    *Please note: The Bedrok plinth can only be purchased as a standalone product with the matching higher tolerance top plate or as part of an LP12 mechanics set (which also includes the top plate). The prices listed do not include a complete turntable as shown in the image.
     

    flyer

    Hi-Fi entusiast
    Ble medlem
    27.05.2015
    Innlegg
    148
    Antall liker
    287
    Torget vurderinger
    5
    Vel den er vel ikke så dyr i forhold til noen ledninger fra noen lednings fabrikanter!
    Skulle gjerne hatt en slik plinth jeg hvis----------------------------
     

    ottone

    Nesten klassiker
    Ble medlem
    08.04.2008
    Innlegg
    14.658
    Antall liker
    12.827
    Sted
    Stavanger
    Torget vurderinger
    3
    Du mener høyden?
    Ikke vanlig å oppgi høyden på en stripe. Tenker vi sier bredde.
    Og HOLZ, ikke Holst.
    Og bedrock er ikke en stein. Og det betyr ikke grunnfjell. Bedrock er en stratigrafisk definisjon. Grunnfjell heter basement på engelsk.
    Osv.
     

    MakkinTosken

    Godseier
    Ble medlem
    21.02.2020
    Innlegg
    18.569
    Antall liker
    53.134
    Sted
    Me? Just hanging around!
    Torget vurderinger
    7
    Og det betyr ikke grunnfjell.
    Gjør det ikke?


    Ifølge Merriam-Webster refererer "bedrock" til det solide fjellet som ligger under løse overflatematerialer som jord. Metaforisk brukes det til å beskrive det mest fundamentale eller grunnleggende aspektet av noe.

    merriam-webster.com


    Cambridge Dictionary definerer "bedrock" som det harde området av fjell i bakken som støtter jorden over. Det kan også bety de prinsippene og ideene som noe er basert på.

    dictionary.cambridge.org


    Collins Dictionary beskriver "bedrock" som solid fjell under jord og løse steiner, og metaforisk som en sikker grunnmur eller det aller nederste punktet.

    collinsdictionary.com


    Wikipedia forklarer at i geologi er "bedrock" det solide fjellet som ligger under løse materialer (regolitt) i jordskorpen.

    en.wikipedia.org


    Disse kildene bekrefter at "bedrock" både refererer til det underliggende, solide fjellet og brukes metaforisk for å beskrive grunnleggende prinsipper eller fundamentet for noe.


    Ja, bedrock er en stratigrafisk definisjon, men den brukes også bredere i geologi og dagligtale.

    Bedrock i stratigrafi (geologi)
    📌 I stratigrafi refererer bedrock til den faste geologiske formasjonen som ligger under løsmasser, som jord, sand, grus og leire.
    📌 Det er den eldste og dypeste lagdelen som ikke lenger består av sedimentære avsetninger, men av solid fjellstruktur.
    📌 Stratigrafisk sett er bedrock referanselaget under de yngre geologiske avsetningene.
     

    ottone

    Nesten klassiker
    Ble medlem
    08.04.2008
    Innlegg
    14.658
    Antall liker
    12.827
    Sted
    Stavanger
    Torget vurderinger
    3
    Joda.
    Screenshot 2025-02-16 at 21.13.14.png

    Det er en stratigrafisk definisjon. Grunnfjell er noe annet.
    Ingen av dem er en bergartstype. Eller en stein, som Mor Nille.

    Og: Bedrok er fryktelig dyr.

    Tips: lese mer, skrive mindre.
     
    Sist redigert:

    Voff

    Æresmedlem
    Ble medlem
    03.11.2006
    Innlegg
    11.572
    Antall liker
    9.332
    Torget vurderinger
    1
    I min tid som geolog brukte vi begrepet grunnfjell om områder med bergarter fra Prekambrium.....
    Dvs bergarter som er eldre enn ca 600 millioner år gamle. Det betyr at store deler av Norge ikke har eksponert grunnfjell. Her i Nord Norge finner man grunnfjell i Lofoten, Finnmarksvidda, ytre deler av Troms bla
     

    Facebook

    Sivilimpertinent
    Ble medlem
    09.01.2021
    Innlegg
    683
    Antall liker
    1.862
    Sted
    Kolbotn
    Torget vurderinger
    2
    Ikke vanlig å oppgi høyden på en stripe. Tenker vi sier bredde.
    Og HOLZ, ikke Holst.
    Og bedrock er ikke en stein. Og det betyr ikke grunnfjell. Bedrock er en stratigrafisk definisjon. Grunnfjell heter basement på engelsk.
    Osv.
    Du er jo værre enn både enn både undertegnede og Jon Almaas til sammen (Sistnevnte har lært av førstnevnte) 😅 😅
     

    ottone

    Nesten klassiker
    Ble medlem
    08.04.2008
    Innlegg
    14.658
    Antall liker
    12.827
    Sted
    Stavanger
    Torget vurderinger
    3
    Hehe. Bedre, takk, ikke verre.
    40 år siden studerte geologi nå, etter det har jeg bare jobbet med det hver dag.
    Var forresten lenge LP12-eier, og angrer at jeg solgte. Men Bedrok ville nok få ligget i fred for meg.

    Presisjonsnivået i tråden her er ikke proporsjonalt med skrivekløen.
     

    Facebook

    Sivilimpertinent
    Ble medlem
    09.01.2021
    Innlegg
    683
    Antall liker
    1.862
    Sted
    Kolbotn
    Torget vurderinger
    2
    Hehe. Bedre, takk, ikke verre.
    40 år siden studerte geologi nå, etter det har jeg bare jobbet med det hver dag.

    Presisjonsnivået i tråden her er ikke proporsjonalt med skrivekløen.
    Nuvel, dog har jeg i tidlig alder lært at bedrock er grunnfjell. Jeg gir etter for kunnskapen din. Beklager min uvitenhet.
     

    Tweedjakke

    Hi-Fi freak
    Ble medlem
    29.01.2008
    Innlegg
    6.526
    Antall liker
    7.275
    Sted
    Market Snodsbury
    Det er en stratigrafisk definisjon. Grunnfjell er noe annet.
    Ingen av dem er en bergartstype
    Det siste forstår eg, det er altså ikkje ein type stein som gneis, granitt, skifer osb. Fint. Men viss vi skulle bruka eit norsk ord på «bedrock», ville ikkje det ha vore «grunnfjell»? Først og fremst i daglegtale, det er jo uansett ein metafor, det er jo openbert ikkje stein dei har laga denne saka av. Og «bedrock» vert jo brukt i daglegtale på engelsk.

    Ut frå det eg ser av metaforiske døme på m-w, trur eg vi i mange tilfelle ville brukt «grunnfjell» som metafor for det same på norsk. Eller som NAOB oppfører som overført tyding på norsk «det sikre, varige, uforanderlige (grunnlag for noe)».

    ChatGPT fortel meg at bedrock er eit vidare omgrep, så kanskje «fast fjell»?

    Takk, forresten. :11
     
    Sist redigert:

    ottone

    Nesten klassiker
    Ble medlem
    08.04.2008
    Innlegg
    14.658
    Antall liker
    12.827
    Sted
    Stavanger
    Torget vurderinger
    3
    Fast fjell blir det nærmeste. Storbritannia er dekket av sedimentære bergarter, mye yngre enn norsk grunnfjell, her har vi mer grunnfjell. Bedrock er det faste fjellet under løsmasene. I Norge vil bedrock stort sett være grunnfjell, derfor trenger vi ikke to ord. På kontinentet og i Storbritannia er bedrock vanligvis yngre sedimentære bergarter, men kan også være grunnfjell (basement).
    Og uansett: grunnfjell er ikke en type stein, det kan være flere typer.

    Det viktigste er ikke å ha rett men å få rett. Jeg må ofte nøye meg med det første.
     

    Valentino

    Lustig im Tempo und keck im Ausdruck
    Ble medlem
    23.04.2008
    Innlegg
    32.740
    Antall liker
    30.732
    Sted
    Ottestad
    Torget vurderinger
    1
    Heldig er jeg som er oppvokst på Anortositt. Fast grunn under føttene må vite.

    Eksen min sa at geologer var merkelige vesener som drev og hakket og kjente på stein. Jeg bare måler den sa hun, geofysikeren.
     

    BritFi

    Hi-Fi freak
    Ble medlem
    09.11.2012
    Innlegg
    3.151
    Antall liker
    2.371
    Sted
    Tilbake i Oslo, igjen.
    Torget vurderinger
    3
    I Linns opphavsland så er det Gneiss i grunnfjellet sa folk, og det ER jo visuelle likheter med produktet til deres snurre. Sneaky oil fortsetter skamløst, de skulle benyttet original vare.
    1739741059381.jpeg
     

    Pedal

    Hi-Fi freak
    Ble medlem
    08.02.2007
    Innlegg
    6.625
    Antall liker
    5.736
    Torget vurderinger
    1
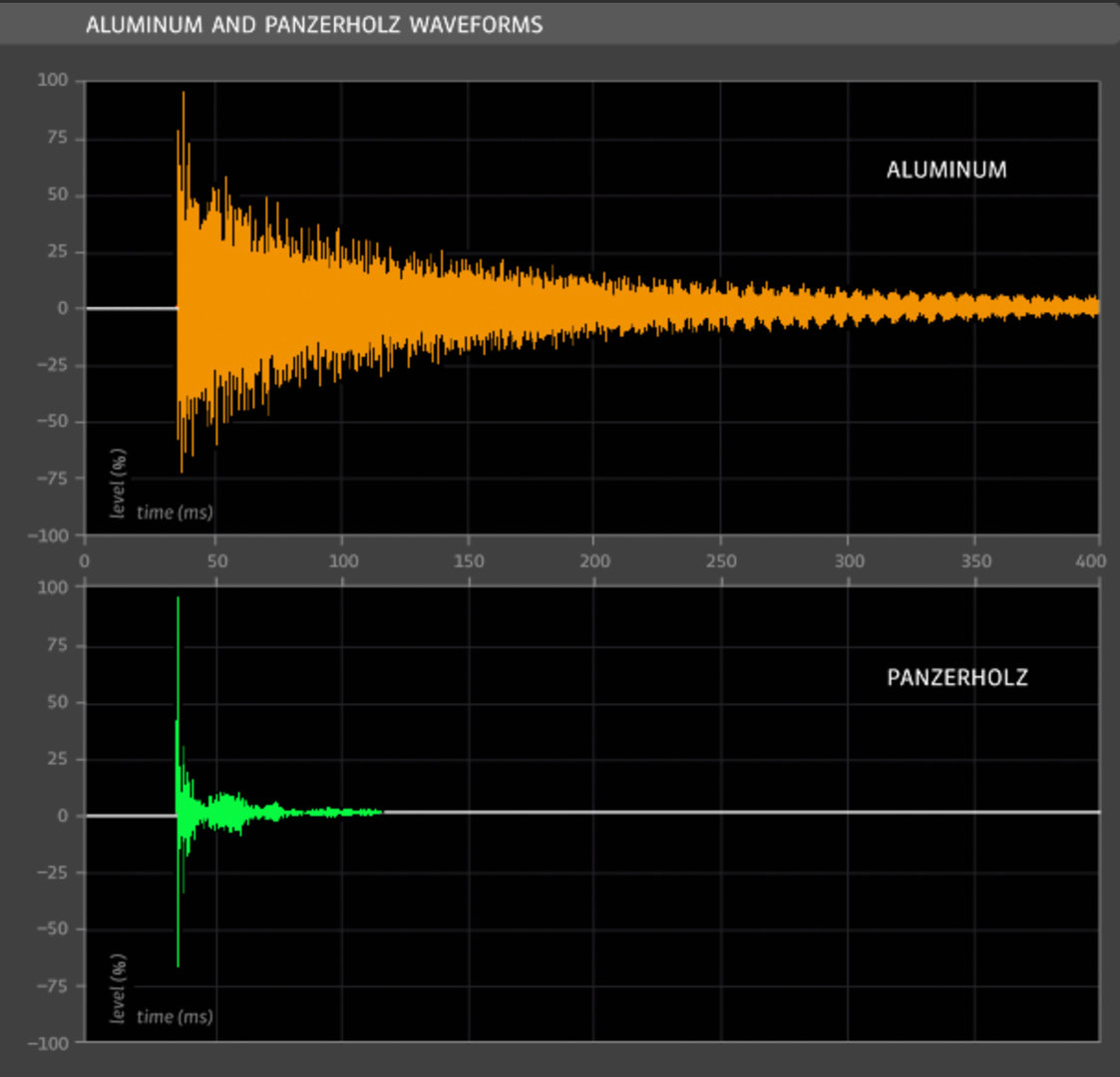
    Jeg ble nysgjerrig på Panzerholz. Viser seg at dette er et seriøst materiale, i bruk av mange kvalitetsprodusenter: Audio Note UK, Aidas, Audio Physics, men også div DIY:
    IMG_0177.jpeg
    IMG_0176.jpeg

    IMG_0178.jpeg
    IMG_0179.jpeg




    En slags kryssfiner som er presset sammen under 250 tonn trykk, iblandet resin, slik at kryssfinerens tykkelse halveres. Det blir så hardt, at det stopper ei kule (bulletproof). Man ender opp med en hardhet, som overgår aluminium, og nærmer seg rustfritt stål.
    Samtidig mye dødere enn aluminium, som ringer som ei kirkeklokke i sammenligning.
    IMG_0175.jpeg


    Absolutt et platemateriale å ha på radaren, for den kompromissløse. Selges i 30mm platetykkelse.
    Finnes også lignende varianter som markedsføres under navn som: Picawood, Bullet Wood, Permali, m.fl.
     
    Sist redigert:
  • Laster inn…

Diskusjonstråd Se tråd i gallerivisning

  • Laster inn…

Informasjon om bruker

Audiophile.no
Bransjemedlem
Medlem siden
Antall liker
1.437
Link til alle artikler
524
Audiophile.no sine annonser
Audiophile.no
Hifimessen i Horten 2025 – Del 2: Arve sine inntrykk

Hifimessen i Horten 2025 – Del 2: Arve sine inntrykk

  • 0
Det er etter kvart vorte ein tradisjon for Audiophile-redaksjonen å besøke Hortenmessa. Ettersom vi bur ganske spreidd, er dette ein av dei få sjansane vi har til å møtes og finne på eit kvart i...
Fortsett
Audiophile.no
Hifimessen i Horten 2025 – Del 1: Stig Arne sine inntrykk

Hifimessen i Horten 2025 – Del 1: Stig Arne sine inntrykk

  • 0
Me har vore vekke heile helga, og då må det skrivast ferdaminne, må vite. Eller messereportasje. Sei meg, korleis skriv ein eigentleg ein messerapport? Og grunnen til at eg spør, er at den vanlege...
Fortsett
Audiophile.no
På vei til Horten. Tredje stopp: Eksakt HiFi og Linn LP12-trio

På vei til Horten. Tredje stopp: Eksakt HiFi og Linn LP12-trio

  • 7
Etter en bedre tradisjonsrik middag på Stortorgets Gjæstgiveri gikk turen videre til nedre Majorstuen på nordsiden av Bogstadveien for siste HiFi-holdeplass før avgang lørdag morgen til helgens...
Fortsett
Audiophile.no
PLATESMAKING: One Size Fits All – 50th Anniversary Edition

PLATESMAKING: One Size Fits All – 50th Anniversary Edition

  • 9
Det er mange spennende 50th Anniversary Edition av gamle klassikere for tiden. Eller kanskje det bare oppleves sånn for oss som syns at midten av 70-tallet var midt i origo for da musikken var på...
Fortsett
Audiophile.no
På vei til Horten. Andre stopp: Stereofil

På vei til Horten. Andre stopp: Stereofil

  • 3
Ny dag, og fredag har vi to butikkvitjingar. Sidan vi likevel skulle til hovudstaden, tenkte vi at det kunne vere interessant å besøke Jens og Marius på Stereofil; ein annan av Oslo sine mest...
Fortsett
Audiophile.no
På vei til Horten. Første stopp: Duet Audio med Cyrus Audio 40-serie

På vei til Horten. Første stopp: Duet Audio med Cyrus Audio 40-serie

  • 7
Tre Audiofile herrer har etter hvert fått en sterk tradisjon i forbindelse med norske HiFi-messer – opprinnelig før Hortenmessa, men det siste året også før Oslo HiFi Show. Og den tradisjonen går...
Fortsett
Topp Bunn