Hei AreJohnny
Allt som kommer uten røyk og flammer kommer som bonus : )
OK one more to go " spennt på 1 stage : )
Og da fant jeg ut at den er laget slik, ......at vifta skal gå for fult hele tidenDet gamle analoge doble GW Instek poweret jeg har, støyer noe helt jævlig, da vifta går for full pupp hele tiden . Det trenger en overhaling./rep.
Hei,Ser den, men nr. 2 jeg linket til på Amazon er samme pris, er oppgitt samme data (12-24v 4A)
men på Ebay sin ser det ut som, de har spart den ene drivermosfet´en vekk??
Bruk jetcarrier.com, så får du amerikansk adresse. Jetcarrier videresender til Norge og sørger for tollklarerings, moms osv. Det funker knall.Hei,
jeg så det også, men den du linker til på Amazon, sendes ikke til min adresse:
Vis vedlegget 983489
Holder nok med 1stk. mosfet for 1 vifte
Mvh.
Johnny
(phuuu puster lettet ...)Jada, jada, jada : Part 2
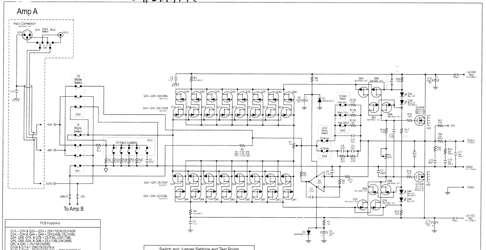
LB 320 VI -CI MC RIIA
STAGE 1
Da var stage 1 oppe å går for den ene kanalen !!!!!
Vis vedlegget 983490 Vis vedlegget 983525 Vis vedlegget 983526 Vis vedlegget 983527 Vis vedlegget 983491
Måleinstrumentene sett fra venstre mot > høyre: Spenning over R3, Bias, DC offset ut, Spenning over R4.
Innstikkskortene med Dual og single fets som @RM (Roar) leverte + kortene som @KJ (Knut) tegnet, virker dette fint . TUSEN, TUSEN TAKK TIL DERE !![]()
Kun en svak, svak lunk fra alle jfet's på innstikkskortet. Så langt virker dette meget stabilt. (skulle vel bare mangle med så tight matching av alle jfets ?)
Mvh.
Johnny
R3: 63 ohmGrattis med exelent jobb Johnny
Hva ble r3/r4 ?
Hei @HAREPUSEN
Du hadde helt rett, jeg hadde glemt å sette switch SW1 i VI mode, hadde bare satt switch SW4 i VI mode.
Den ene kanalen er nå oppe å går stabilt med faste motstander:
R3: 180 ohm 1% (Målt over R3) : 2.90 V
R4: 180 ohm 1% (Målt over R4) : 3.00 V)
Bias : 90 mA
Dc offset: noen få mV.
Den andre kanalen (den jeg jobbet med i går), sliter jeg fortsatt med. Fortsatt skjeve motstandsverdier for R3 og R4.
Jeg får fortsette i morgen.........
Se ellers edit i post #3742
Mvh.
Johnny
Trond svarer:Ellers har jeg mer enn nok med 2SJ103GR og 2SK246GR, men vet ikke om de kan brukes ??
Kan du sjekke med Les ?
På forhånd takk !
Mvh.
Johnny
Så disse er ikke matched, men er i strømgruppe GR. (samme som i input kort nr.2, som funker)Hei
kort svar:
kaskoder trenger ikke matches, ved BL på inngangen reduseres antallet til 6 eller 4 stk pga avgitt varme pga strømmen, GR er ok for kaskoder
trond
Prøvde det, men det funket dessverre ikke . Kun en led tenner, husker ikke spenningene, men prøver på nytt i morgen.For den første modulen hadde jeg satt inn like ens 180r trimmet offsett og sjekket r3 og r4
Skal måle det i morgen .Klarer du måle gate to source på kascadene 246 /103 ,, som kontroll og referanse
Og feilen var???Hei
Da er feilen funnet, så dette kommer til å ordne seg
Mvh.
Johnny
HeiOg feilen var???![]()
Dette er ikke mulig ! Man kan kortslutte inngangene på stage 2 (J1 og J2) når man tester stage 2, (men dette ønsker vi ikke når man tester output på Stage 1)Bare sjekk at stage 1 og 2 er disconnected signal vei da ,,,,
Johnny ,,, ingen ting er umulig .Da får du ta en Harepus" Han hadde tatt ut eller løftet R22 i ene enden bare for testen . )Hei
Et av inngangsmodulene feiler. Det andre funker 100%, og er testet i begge kanaler, i mange timer. Stabilt og fint, kun en svak varmeutvikling i selve modulet.
R3 og R4 : 180 ohm. 2.9V er målt over begge motstander. Det går fint å trimme ned DC- offset. Har bygget litt om, slik at inngangsmodulene nå er "pluggbare", og kan flyttes frem og tilbake mellom de to kanalene.
@HAREPUSEN :
Dette er ikke mulig ! Man kan kortslutte inngangene på stage 2 (J1 og J2) når man tester stage 2, (men dette ønsker vi ikke når man tester output på Stage 1). Dette ville ta "drepen" på utgangen av Stage 1! Men, spenningsmessig, så skiller man de to stagene under første test, og til slutt en final test med begge trinn hengende sammen, både signal og spennings-messig.
.
Dette ordner seg !
Mvh.
Johnny
Bare sjekk at stage 1 og 2 er disconnected signal vei da ,,,,
Hei AreJohnny ,,, ingen ting er umulig .Da får du ta en Harepus" Han hadde tatt ut eller løftet R22 i ene enden bare for testen . )
