Fant dette ved en tilfeldighet :Arne Steen laget produkter for en tid som dessverre er svunnen hen ad landevejen. Jeg var så heldig å ha en god venn som hadde arbeidet ved ett par danske elektrobedrifter på 70 og 80 tallet. Da eksisterte ikke kina og moderne datastyrte monteringsmaskiner, alt ble gjort for hånd. Som du ser har min venn etterlatt meg med to AS verktøy, en stor flipbar monteringsramme og den tredje hånd. Dette er laget av folk med kjærlighet for mekanikerfaget for folk som meg. Jeg lager og monterer alle mine print selv, og hver gang jeg bruker disse to, sender jeg en liten varm tanke til PerS som gav dem til meg, samt AS som laget dem.
Men som sagt, jeg skulle gjerne hatt 1-2 til av «hånden». Den tar jo lett både en og to kilo i sitt nebb.
Det er/var ikke meningen å kuppe Johnnys tråd, mer pga alle de tilstedeværende danskerne.
Glæder mig til hvordan du synes det lyder.Hei
Ikke nå lenger.....
Vis vedlegget 962757
Da gjenstår en dobbel og trippel sjekk..........har jeg gjort alt riktig ?
+ sjekke alle loddinger, og til slutt en grundig vask med isopropanol. Legger ut noen bedre bilder i morgen tatt med dagslys.
Mvh.
Johnny
Så derfor.......My oldest son (25 ) who lives down town Halden is doing drugs, and there is nothing we can do help him.
Just waiting for “that call” that he is dead from an overdose.
We have tried everything that can be done, but we can not decide over him, since is over 20 years old.
A lot of tears and quite mentally tired at the moment…..
My youngest son, who stills live with us, is quite the opposite, the best son you could ever have, no problem at all, thank God for that.
J.R
Har lige gjort en ny erfaring her. Har kjørt balanceret her i rigtigt mange år. Hører ingen forskel på balanceret og ubalanceret. Det samme har vi oplevet mange gange ved blindtest i vores klub. Men bruger alligevel Xlr pågrund af bedre sikkerhed.Hei
Great ! Legg den ut her, eller send til meg på e-mail.
Kjører ubalansert, men kunne tenke meg å få balansert inngang på den. Burde vel ikke være noe hokus/pokus.
Re-cap trengs nok også.
Mvh.
Johnny
Hei @HAREPUSENJohnny da fant jeg schematic DC 100a,, bom på baksiden , 1 side hook up power og utgang
Kan kopiere dem for best resultat
Kjører du balansert ?
Her er min" dvs var ,,,den er blitt dedikert horn spiller " etter bytte til nye computor grade BC 106serie en annen plass
Vis vedlegget 977877
Da , abzolutna
HeiErno fikk meg på tantalum kjøret med denne , og utgangen no source resistors "Biased 1 amp
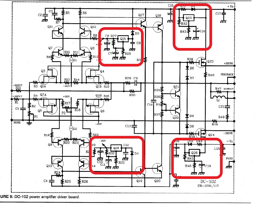
HeiDu" Finnes det et stuffing diagram for DC 102 kortet ?
HP " ja hos meg ; )
Plutselig : )Hei
Poste det her, eller sende det over ? På forhånd takk !
Mvh.
Johnny
Gi aldri opp. God jul!
Tusen takk, og en riktig God Jul til dere ogsåDa må du ha en bra jul, Johnny.
Og takk for "service" i 2023![]()
Og det gikk så dritt som det overhodet kunne gå !Takk, og det samme til deg Arne SW.
Er vi heldige, så kommer den omtalte sønnen på Julemiddag i morgen !
Han takket ja i går....
Den største gaven i så fall for vår lille familie. Vi gleder oss stort allerede.
Mvh.
Johnny
Hei, og Godt Nytt År til alle her på sentralen.Hei @HAREPUSEN
Tusen takk for skjema og bom til DC100A, samt gode tanker.
He, he fronten på min amp, så står det DC100 A. Det er nok helt feil, er ganske sikker på at det er en DC102. Jeg må ha helt glemt å forandre merkingen på fronten en gang på tidlig nittitall.
Her er et støvete bilde tatt i dag:
Vis vedlegget 979675 Vis vedlegget 979726
Input Jfets K389 x 2 / J109 x 2
LM317T og LM337T er på plass:
Vis vedlegget 979725
Utgangs fets er 4 par K175/J75 pr. kanal.
Mvh.
Johnny
