Det som er likt er viktigheten av lav impedans til jord, overgangsmotstand til jord. Har en skjermet kabler og nettfiltre skal jo støystrømmene føres til jord.
Eller er dette alltid det beste?
Jeg ble kontaktet av en Kvig, han var med i pioner gruppen hos SINTEF den gang forskrift om leveringskvalitet (Fol) skulle utarbeides sammen med Bl. a Helge Seljeseth. Han mente at min jording var "for god". Alt av transienter ble routet inn til meg. Derav alle havarier. En nede i gaten her, ansatt hos kraft produsenten, skulle bygge ny bolig og ønsket derfor å ha en ordentlig jording. Han ble advart av elektriker e mot den ideen av samme årsak son Kvig kom med.
Ellers er det dette med hifi bransjen og dette med snacke oil og måter å imponere mulig kunder. Eks. Filter, medical grade.
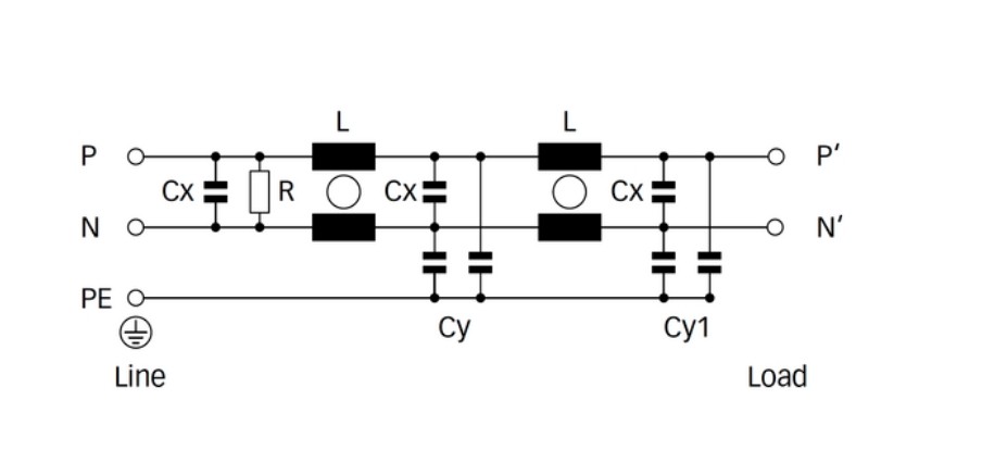
Dvs filter UTEN Cy kondensator. Det er mer en nedgradering enn en oppgradering

.
Vis vedlegget 850601