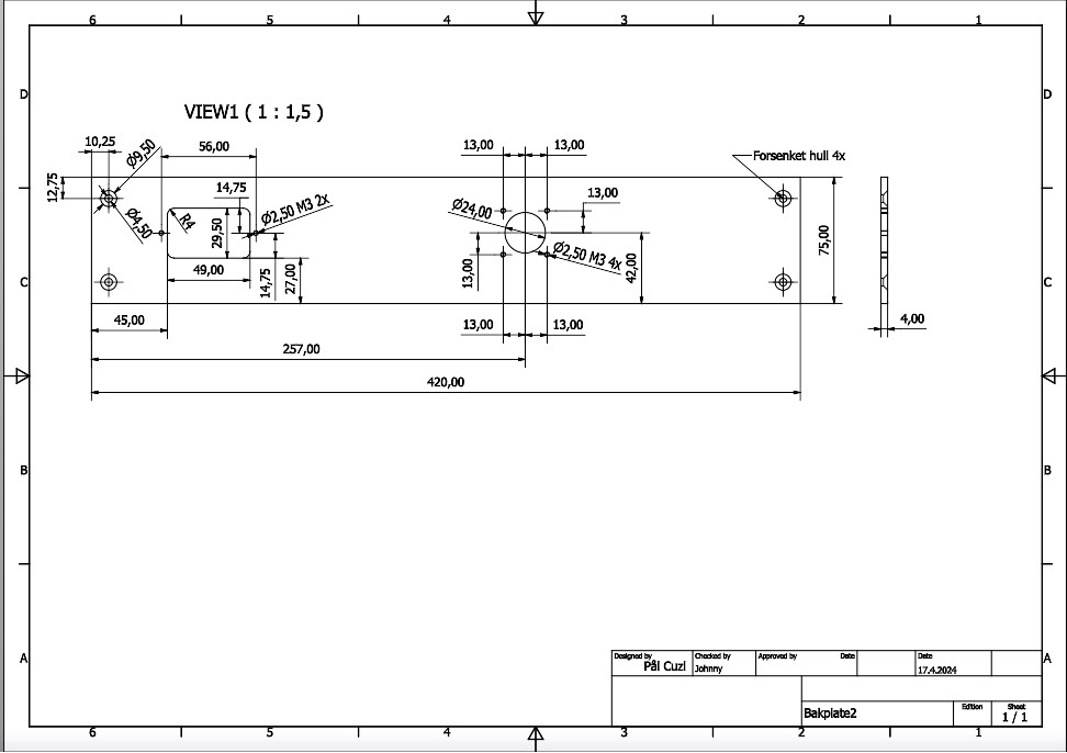
Min gode nabo kom og leverte frontplaten på døren i dag. Han hadde til og med laget nedsenkningsverktøyet, spesielt for bare denne nedsenkningen av mine tre knapper.Frontplaten er nå hos min nabo (pensjonert verktøymaker), for en ned fresing og tilpasning til selve trykknappene. Ganske omstendelig dette her, for å få en perfect fit mellom switch og knapp
Takker @TTUtrolig flott. Made in ØSTFOLD!![]()
Jeg skjønner at det ligger vanvittig mye jobb bak og du får all honnør herfra!Takker @TT
Selv noe som ser så forbannet enkelt ut, så ligger det faktisk en del arbeidstimer bak. Nedsenkningene er ikke kone i bunnen, men "flate". Altså samme dia. fra topp, ned til bunnen av forsenkningen.
Mvh.
Johnny
Fiffig løsning !You can check that all function push buttons & leds are working, and that the mute timer is counting down (central Red led pulsing slowly) and then the outside mounted Blue led turns on, activating the MB mute relays, see below for the correct Mute/Power On Leds orientation.
Hei TrondFlott arbeid. Slike korrigeriger er sykt tidkrevende. (Og litt irriterende)
Min gode nabo kom og leverte frontplaten på døren i dag. Han hadde til og med laget nedsenkningsverktøyet, spesielt for bare denne nedsenkningen av mine tre knapper.
Hei
@RM sendte meg et bilde av et slikt senkeverktøy som min nabo hadde laget. Slik ser disse ut.
![]()
Quote @RM :
En vakker dag, må jeg få meg et slikt sett ! Koster nok en del.........Har du sett slike? Helt uunnværlige i vår profesjon. Jeg har 4/5 sett.
Mvh.
Johnny
Tusen takk @TTSer fantastisk bra ut!![]()
Tar den i morgen !-Install a 'Shield Wire' over the 47K input resistor, see picture. That improve greatly the noise influence on the phono input at 47K. Simply solder a piece of wire on the gnd side of the 47K resistor, and bend it at the other side to cover the resistor. With this shield, any noise, such putting your finger near the resistor is eliminated.
HeiHei
XP 25 Power Supply
Mine power supply kort. Her trengs ingen mods.
Vis vedlegget 1004130
Tror til og med @Armand er enig med meg, ang. valg av trafoer denne gang ?
Mvh.
Johnny
Det er disse som må byttes fra 10K til 10 R:And found an easier mods to the external supply to lower the noise. If you look at the noise breaker network, it was a 10K/3W resistors with 2x 1N4007 back to back. Always found this 10K suspect, replace with a 10R/3W and the noise is at the lowest.
< Klikk
<Klikk
<Klikk
For det første, TUSEN TAKK til dere, i en vanskelig tid for vår lille familieTusen takk for støttende ord, og tilbud om hjelp.
Jeg avventer litt, kanskje jeg får løst dette via et forummedlem.
På forhånd takk !
Mvh.
Johnny
