Helt utrolig hva som kan bygges med vero....

- og wire wrap, - bare hold fuglene ute....
Ja det har du heilt rett i, har bygget mye med Vero-board i tidens løp, på bl.annety tidligere vist Maplin Mosfet er høytaler DC/delay kontrol laget på Vero, er ein kopi av Tanberg løsning fra TR2085MkII og TIA3012.
Også brukt en del Vero ifbm prototyper innenfor undervannsteknologi som ein har vert involvert i ein del gjennom tida, tok for lang tid å få ting produsert som ofte var "one of the kind..."
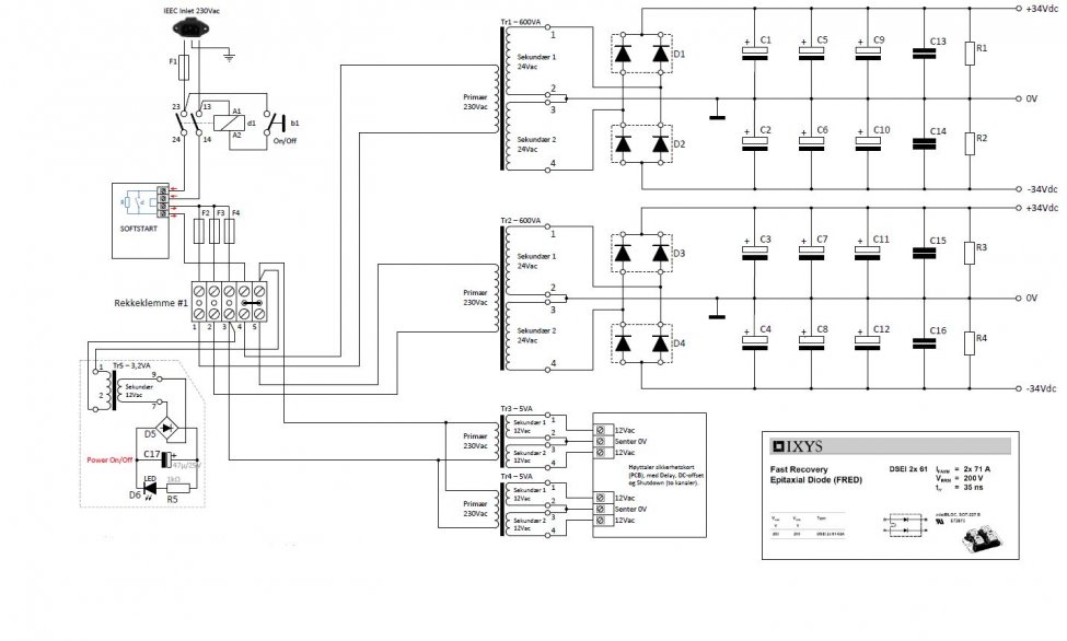
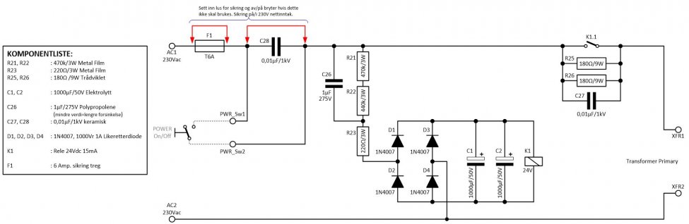
Men her under er ein clone av Maplin Mosfet som egentlig er kopi av Hitachi design for Mosfet 2SK133/2SJ48 (alt. 2SK134/2SJ49), som er laget på Verobord og singel trafo, fungerer fortsatt. 230 tilførsel skal modifiseres. Men den er blitt kompakt, husker hadde ein del problem med jordstøy i oppstarten av den, ble bygget på 80-tallet
Verobord mellom utgangs-modfetene er utgangskortet,
nede i bilde kontroller kort for DC/delay på denne kanalen,
og HT-relet omtrent midt i bilde.
Total bredde på denne mini amp'en er 33cm
Men velger nå å kjøpe ferdige PCB'er, kanskje litt latskap, som DIY'er burde ein kanskje bygget fra scratch,
men det er som sagt fleire nivåer å holde seg til
Men å ha gode PCB'er gjør det lettere å komme tilbake om 5-10 år hvis reperasjoner må utføres av meg eller ens etterkommere?
Og da er bestilling levert og betalt til Jims Audio, bekreftet og nå vente på leveransen
