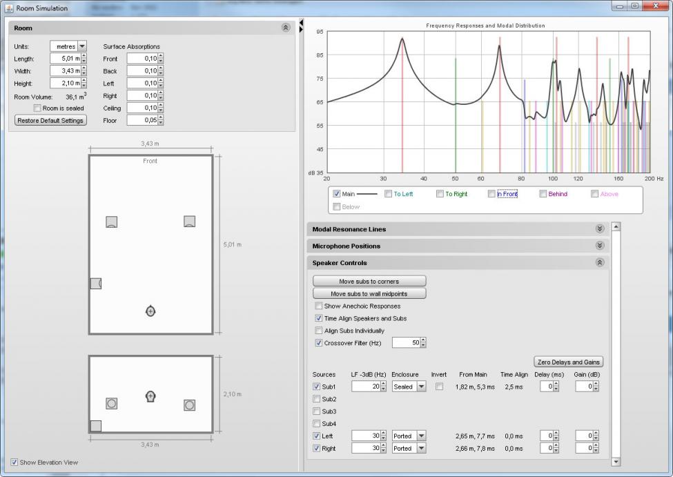
Jeg har lekt litt med REW Room Simulation og kommet frem til at den mest praktiske og enkle plassertingen av en sub hos meg, også er den teoretisk beste. Ikke dumt. Da er det bare testingen igjen, og å finne en sub som får plass i "hølet" der gulvlampa står i dag. 
Da må jeg ifølge REW flytte lytteposisjon litt ut på gulvet igjen også, så slipper jeg å bli mobbet av ANM fordi jeg sitter helt inntil bakveggen.
Da må jeg ifølge REW flytte lytteposisjon litt ut på gulvet igjen også, så slipper jeg å bli mobbet av ANM fordi jeg sitter helt inntil bakveggen.


