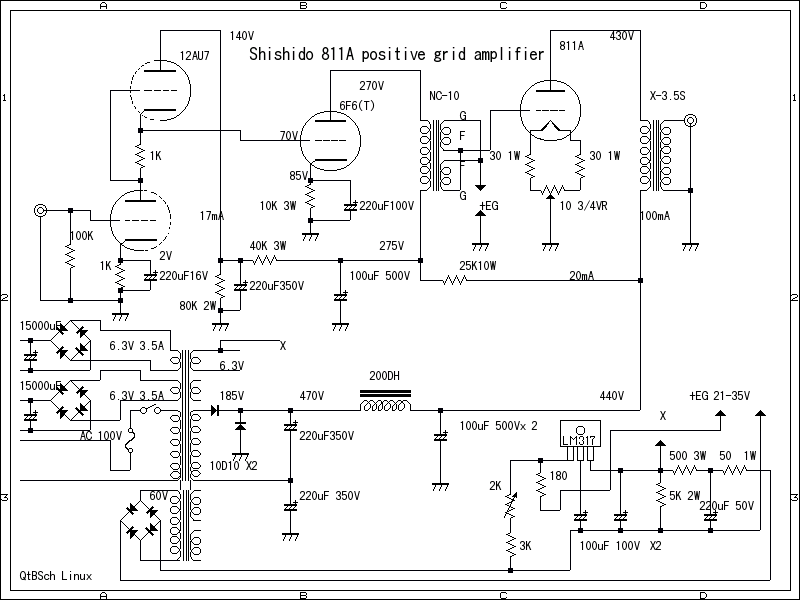
NOS RCA 811 + skjema

811__20191118_191815.jpg


Et flott DHT rør til svært gunstig pris.

Ikke spesielt komplisert å bygge en Single Ended forsterker med dette røret.
En Shishido konstruksjon betyr et urmerket resultat.

811A.png
 
Sist redigert:

Kommentarer

Informasjon om bruker

Audiomix
Bransjeaktør
Medlem siden
Antall liker
5.602
Link til alle artikler
86
Audiomix sine annonser
GOD JUL FRA A&M VACUUM TUBES

GOD JUL FRA A&M VACUUM TUBES

  • 0
Alle musikk, rør og DIY entusiaster ønskes en riktig God Jul. Til ryktet om at rørbutikken er overtatt av en herværende konkurrent: Det er absolutt feil. A&M Vacuum Tubes lever i beste velgående...
Fortsett
Bransjenyheter
LM ERICSSON 6761. Kvalitetsrør fra Sverige

LM ERICSSON 6761. Kvalitetsrør fra Sverige

  • 0
Et medium effekt rør fra LM Ericsson. I klasse med EL84, men ikke direkte kompatibelt. Et rimelig alternativ for en DIY'er. 6761 LM Ericsson – Audiomix
Fortsett
Bransjenyheter
NOS 2C51 - 5670 - 396A

NOS 2C51 - 5670 - 396A

  • 0
Rør har som de fleste vet forskjellige typebetegnelser noe avhengig av hvem som har produsert, til hvem de er produsert og i noen tilfeller etter spesielle spesifikasjoner. Til audio / HiFi vil de...
Fortsett
Bransjenyheter
LM ERICSSON - Kvalitetsrør fra Sverige

LM ERICSSON - Kvalitetsrør fra Sverige

  • 10
LM Ericsson var blandt pionerene som bygde ut kommunikasjonsystemer. Både med og uten tråd. Systemene var ofte plassert på fjelltopper og andre steder som var vanskelig tilgjengelige. Derfor var...
Fortsett
Bransjenyheter
TUBE TALK XIV

TUBE TALK XIV

  • 0
Knapt noen nyhet, men datablad fra juni 1942 kan være interessant nok. Dette gjelder power trioden VT-4-C eller 211 i sivil betegnelse. Les videre. Helt til slutt noen tips om "INSTALLATION".
Fortsett
Bransjenyheter
TUBE TALK XIII

TUBE TALK XIII

  • 0
Rør med sotbelegg? Kan det være bra da? Et relativt ofte stilt spørsmål. Til og med om dette kan være grunn til reklamasjon. Google kan svare på det meste. Og hvis svaret finnes på Wikipedia kan...
Fortsett
Topp Bunn