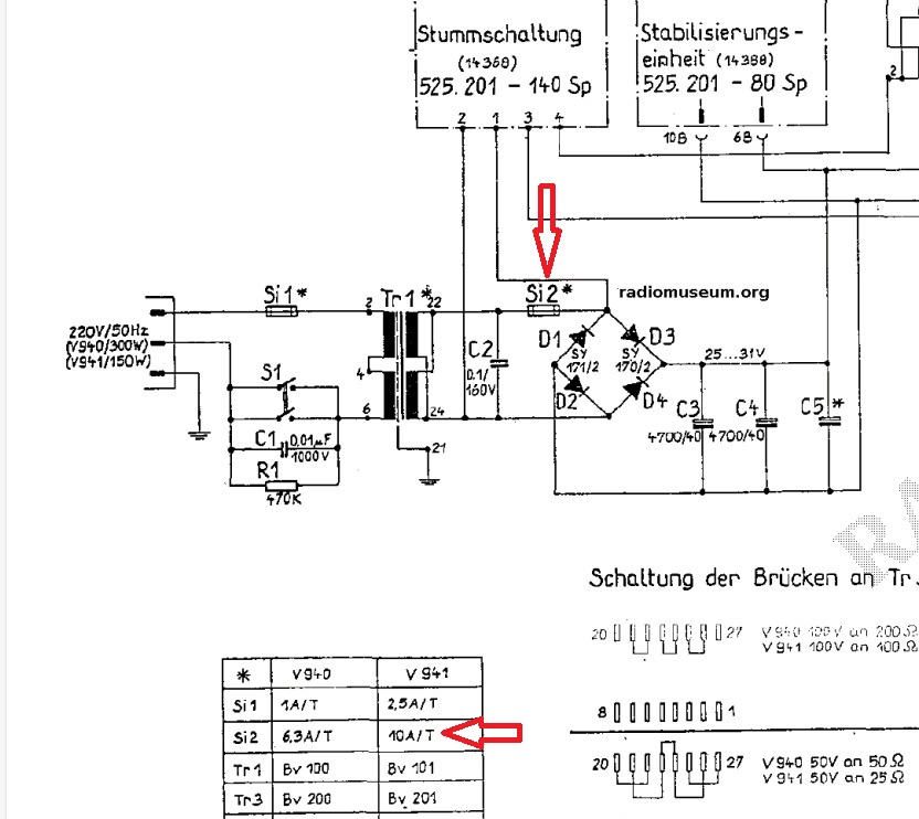
Den här säkringen sitter i en av mina förstärkare från DDR. Den är på 10 ampere. Jag tror att det är den Neozed d01.
Den sitter på transformatorns sekundärsida, se bilden. Jag förstår inte varför man använder en keramik-säkring. Den är "blown" och jag har svårt att få tag i en likadan.
Kan jag utan risk skifta den till en "vanlig" glassäkring på 10A?
Den sitter på transformatorns sekundärsida, se bilden. Jag förstår inte varför man använder en keramik-säkring. Den är "blown" och jag har svårt att få tag i en likadan.
Kan jag utan risk skifta den till en "vanlig" glassäkring på 10A?


