Forslag til nytt amp-bygge

Diskusjonstråd Se tråd i gallerivisning

  • Fenalaar

    Hi-Fi freak
    Ble medlem
    12.05.2002
    Innlegg
    8.793
    Antall liker
    7.723
    Sted
    Narvik
    Torget vurderinger
    3
    Hva med å få tak i f.eks to Hypex NC122NC og en NC252NC (til bass). Du får ikke kjøpt direkte fra Hypex, men du finner de på ebay. Og så må du kjøpe kabelsett til de fra f.eks Ghent audio.

    Disse er veldig enkle å ha med å gjøre…

    Johan-Kr
     

    Zerostat

    Hi-Fi freak
    Ble medlem
    25.06.2003
    Innlegg
    4.814
    Antall liker
    1.667
    Sted
    Strømmen
    Torget vurderinger
    73
    Kan Topping LA90 være noe på horn? Klasse A/B med ekstremet lavt støygulv.

    1652986026785.png

    1652986261161.png
     

    mk1classic

    Hi-Fi freak
    Ble medlem
    07.01.2009
    Innlegg
    2.034
    Antall liker
    1.704
    Sted
    Sandvika
    Torget vurderinger
    2
    Burde vel være ideell, men husk den forsterkeren har ikke fjernkontroll.
     

    W.Sand

    Hi-Fi freak
    Ble medlem
    02.05.2012
    Innlegg
    3.346
    Antall liker
    5.181
    Sted
    moelv
    Torget vurderinger
    3
    Snart ferdig, men angst for å koble til strøm:oops:
    Testet de først idag etter at alle koblinger, jording og strømarter var dobbeltsjekket.
    Funker fint :), ingen støy. Skulle gjerne testet de på "fullskala" passive høyttalere, men i dette huset blir de en del av et 3-veis system.
     

    Vedlegg

    W.Sand

    Hi-Fi freak
    Ble medlem
    02.05.2012
    Innlegg
    3.346
    Antall liker
    5.181
    Sted
    moelv
    Torget vurderinger
    3
    Takker Ine, Lettelsen var stor og jeg avblåser å montere røykvarsler under dekselplaten på de. :)
    Nå står et par andre amper for tur, Neurochrome og Ice.
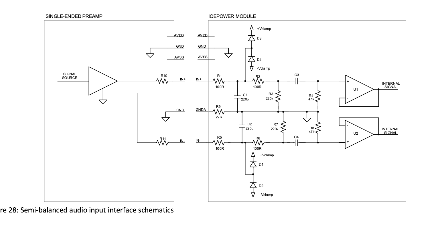
    Ice 1200 AS2 er jo enda mer plug&play, men det ser ut som den må ha RCA-XLR buffer. Har et par fra Ghent som skal ha 12 volt, men jeg ser ingen strømuttak som passer fra Ice-modulet.
     

    Zerostat

    Hi-Fi freak
    Ble medlem
    25.06.2003
    Innlegg
    4.814
    Antall liker
    1.667
    Sted
    Strømmen
    Torget vurderinger
    73
    Hvilke amper bør jeg teste ut for å få enda bedre lyd? Bruker pt 3x XTZ Edge A2-300 aktivt delt i et Audiolense system. RME UCX som pre/dac.
     
    Sist redigert:

    bambadoo

    Æresmedlem
    Moderator
    Ble medlem
    11.10.2002
    Innlegg
    23.064
    Antall liker
    12.623
    Sted
    Lørenskog
    Torget vurderinger
    16
    Nettopp mekket 3 stk icepower 1200as2. Jo mer jeg setter meg inn i "funksjonalitet" og alt som er gjennomtenkt der, dess mer imponert blir jeg. Når de i tillegg har en bråte med effekt, er totalt tystnad og veldig lite forvrengning er det bra greier. Spiller veldig bra.
    PS: Har et par moduler til overs liggende også som blir lagt ut for salg snart.

    PS: Du må ikke ha rca-xlr buffer (dersom du kjører rca).
    Screenshot 2022-06-23 at 20.31.33.png
     

    Vedlegg

    Elmer

    Hi-Fi freak
    Ble medlem
    23.08.2009
    Innlegg
    2.993
    Antall liker
    3.587
    Nettopp mekket 3 stk icepower 1200as2. Jo mer jeg setter meg inn i "funksjonalitet" og alt som er gjennomtenkt der, dess mer imponert blir jeg. Når de i tillegg har en bråte med effekt, er totalt tystnad og veldig lite forvrengning er det bra greier. Spiller veldig bra.
    PS: Har et par moduler til overs liggende også som blir lagt ut for salg snart.

    PS: Du må ikke ha rca-xlr buffer (dersom du kjører rca).
    Vis vedlegget 827943
    Ser at det nevnes partsexpress for kjøp av disse lenger opp i tråden. Ikke nødvendig å gå over dammen. Soundimprts (NL) har fullt sortement av ICE P.
    ICEpower - Order Online - SoundImports

    Ellers skal det faktisk gå an å kjøpe direkte fra ICE P, ser det ut som. Også som privatperson. Men de største AS modulene er Out Of Stock. Det kan være mye penger å spare på å kjøpe en kartong også (12 stk for "de store modulene"). f.eks Gruppekjøp. Fri frakt - for øvrig.
    AS Series - ICEpower (icepoweraudio.com)

    Dr.E
     

    Torvbakkane

    Overivrig entusiast
    Ble medlem
    17.01.2019
    Innlegg
    883
    Antall liker
    1.147
    Sted
    Alver
    Nettopp mekket 3 stk icepower 1200as2. Jo mer jeg setter meg inn i "funksjonalitet" og alt som er gjennomtenkt der, dess mer imponert blir jeg. Når de i tillegg har en bråte med effekt, er totalt tystnad og veldig lite forvrengning er det bra greier. Spiller veldig bra.
    PS: Har et par moduler til overs liggende også som blir lagt ut for salg snart.
    Hei Bambadoo :)
    Har lest med litt opp på denne ICEPower modulen, og grav litt i utgitte data men noen spørsmål dukker nå alltids opp 🤔
    Da som virkar intressant er at PSU og AMP er tilsammens på PCB'en. Hvordan synes du det fungerer med alt samlet så tett, men utifra nokre kommentarer du har lagt ut er den "stille" og med det antar eg den er fri for uønsket "støy".
    Har du testet den med begge typer innganger som både RCA og XLR?

    Ser at direkte fra ICE Power er det stortsett tomt på lager for Amp-moduler, men er det Soundimport ein bør handle fra for der er vel ikkje så mange andre som har desse moduler i lager?

    Og du har vel solgt dei ekstra modulene du hadde for salg siden ditt innlegg er blitt borti ett halvt år gammelt 😳.

    Send gjerne PM 😊


    Mvh Helge
     
  • Laster inn…

Diskusjonstråd Se tråd i gallerivisning

  • Laster inn…
Topp Bunn